1769 Of4 Wiring Diagram
Individually isolated channels allow wiring of signals with different power sources and potentials. This product is no longer available to purchase.
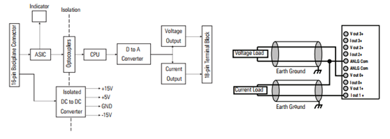
Current and voltage wiring examples for the.
1769 of4 wiring diagram. Want to buy 1769 of4 wiring diagram,we are best 1769 of4 wiring diagram suppliers,manufacturers,wholesalers from china. Wrg 0526 ac to dc wiring diagram. Cig wd001a en p allen bradley i o modules wiring diagrams.
Best 1769 of4 wiring diagram products suppliers manufacturers. The examples and diagrams in this manual are included solely for illustrative purposes. It describes the procedures you
The wiring diagram shows connected the control signal dc common (neg) to the 24v ac common. Because of the many variables and. Allen bradley 1769 ob16 compactlogix 16 pt sourcing output
The examples and diagrams in this manual are included solely for illustrative purposes. Use your fingers or a small screwdriver. If8 fault reporting in floating point mode.
170 ma at 24v dc hot tags : Module block diagrams and input/output circuit diagrams. For mounting instructions, see mount module to panel by using the dimensional template, or mount module to a din rail.
This module has four (4) individually isolated input channels, each configurable to receive current and voltage signals. Additional grounding connections from the module's mounting tabs or din rail (if used), are not required unless the mounting surface Wiring systems 121 additional resources 121.
To work with a system that Compact i/o analog output module 7. 5.push the bus lever back slightly to clear the positioning tab (3).
Support seamless bridging with data control and collection over the same network. 1756 if16 wiring diagram e993 com. I/o wiring can be routed from beneath the module to the i/o terminals.
Controller, compactlogix, 16 dc inputs, 16 dc outputs, mb memory, 24 volt dc power supply, 1 gb secure digital memory card.

PLC Hardware Allen Bradley 1769IF4 Series B, New Surplus Open

Allen Bradley Plc Programming 1769ob8 Digital Contact Output Module With Best Price Buy
Analog input module wiring, Analog input module wiring 18 Rockwell Automation 1769OF4VI
Rockwell Automation 1769OF2 Compact I/O Analog Modules User Manual Page 45 / 184 Also for
PLC Hardware Allen Bradley 1769IF4 Series A, Used in a PLCH Packaging

Supply Allen Bradley 1769OF4 Analog Output Module 1769OF2 Factory Producers Quotes

PLC Hardware AllenBradley 1769OF4VI 4Ch Analog Voltage Isolated Output
PLC Hardware Allen Bradley 1769IQ32 Series A, New Surplus Open
V. wiring diagrams (continued) Rockwell Automation 1492 1771N Series I/O to 1756

Allen Bradley 1769OF4 /A Compact I/O 4Ch Current/Volt Output 724165953918 eBay
PLC Hardware Allen Bradley 1769OF4 Series A, New Surplus Sealed
Wire mixedinput transmitter types Rockwell Automation 1769IF4FXOF2F Compact Combination Fast

Delta plc analog input scaling formula

Allen Bradley 1769OF4 /A Compact I/O 4Ch Current/Volt Output 724165953918 eBay

PLC Hardware AllenBradley 1769IQ32 CompactLogix 32Point 24VDC Input Module
PLC Hardware Allen Bradley 1769OF4VI Series A, Used in a PLCH Packaging
Allen Bradley Plc Programming 1756ob32 Digital Dc Output Module With Best Price Buy Digital


